Midwayrollforming

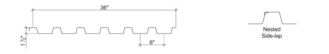
1.5″ Steel Form Deck

Midway Roll Forming manufactures and stocks 1.5″ Form Deck in 22, 20, 18 and 16 gauge offering G60, G90 and painted finishes. All Form deck is minimum standard yield strength of 50 ksi. 

    Description

    1 1/2″ Form Deck, made from high-strength steel, serves as a permanent base for concrete floor slabs. We offer high-quality form deck at competitive prices, with metal form deck being widely used in floor construction. Its fast, easy, and affordable installation process makes it an efficient and cost-effective choice for your building projects. For additional technical engineering information, please visit www.sdi.org

    2.0 Composite Gauges:

    2.0 Composite Finishes:

    Galvanized G-60 zinc coated steel is the standard in the deck industry.

    Galvanized G-90 is typically specified for exterior applications or project specific needs.

    PTD or primer painted is an impermanent, provisional coating and is gray on top and bottom.

    Form Deck Attachment Pattern:

    Your project Engineer will determine your attachment requirements for your design loads, building code and project requirements. The following standard 1.5 form Deck attachment pattern has been provided as a minimum recommendation for the product specified. The attachments should be made to from deck to support, deck sidelap to deck sidelap and seck to perimeter supports.

    Precision & Quality in Every Product – See Our Work